| สถานะห้องว่าง: | |
|---|---|
| จำนวน: | |
J21S
WORLD
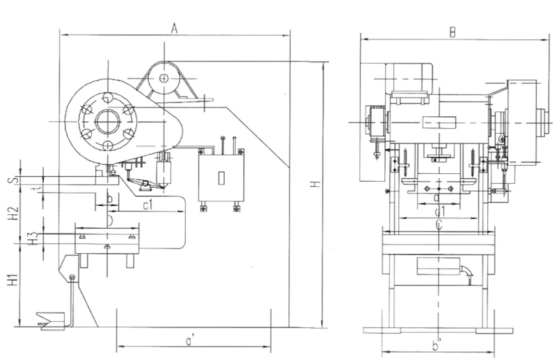
ความลึกของลำคอสามารถปรับแต่งได้ตามแผ่นขดลวดและความกว้างของแผ่นเหล็ก แผ่นเหล็กแผ่นเหล็กมีความแข็งแรงและความเข้มข้นสูงขึ้น ร่างกายประเภทบล็อกโมโนนั้นดีกว่าสลักเกลียวชนิด ecconomic มาก
การกดเจาะคอลึกประเภทข้อเหวี่ยงสามารถติดตั้งคลัทช์นิวเมติกเสริม การทำงานที่ปลอดภัยและสะดวกยิ่งขึ้น
| สิ่งของ | หน่วย | J21S-10 | J21S-16 | J21S-25 | J21S-40 | J21S-63 | J21S-80 | J21S-100 | |
| ความสามารถเล็กน้อย | KN | 100 | 160 | 250 | 400 | 630 | 800 | 1000 | |
| ความยาวสไลด์จังหวะ | มม. | 45 | 55 | 65 | 90 | 110 | 120 | 140 | |
| ความเร็วจังหวะ | ครั้ง/นาที | 145 | 125 | 55 | 45 | 40 | 38 | 38 | |
| สูงสุด ความสูงปิดตาย | มม. | 180 | 220 | 270 | 320 | 390 | 440 | 480 | |
| การปรับความสูงของ Die ปิด | มม. | 35 | 45 | 55 | 65 | 80 | 90 | 100 | |
| ความลึกคอ | มม. | 300 | 500 | 600 | 710 | 800 | 800 | 900 | |
| ระยะทางคอลัมน์ | มม. | 208 | 278 | 330 | 470 | 590 | 600 | 720 | |
| ขนาดก้นเลื่อน | L-R | มม. | 170 | 200 | 250 | 300 | 400 | 430 | 540 |
| FB | มม. | 150 | 180 | 220 | 260 | 360 | 360 | 480 | |
| ขนาดของหลุมที่จับ | เส้นผ่าศูนย์กลาง | มม. | 30 | 40 | 40 | 50 | 50 | 60 | 60 |
| ความลึก | มม. | 55 | 60 | 60 | 70 | 70 | 75 | 75 | |
| ขนาดของ worktable | L-R | มม. | 370 | 450 | 560 | 700 | 860 | 950 | 1080 |
| FB | มม. | 240 | 300 | 370 | 460 | 570 | 650 | 710 | |
| ความหนาของ worktable | มม. | 35 | 40 | 50 | 65 | 80 | 100 | 120 | |
| เส้นผ่านศูนย์กลางรูตาราง | มม. | 80 | 100 | 120 | 150 | 180 | 200 | 220 | |
| พื้นผิวที่ใช้งานได้ถึงระยะห่างจากพื้นดิน | มม. | 730 | 750 | 800 | 835 | 860 | 850 | 850 | |
| มิติโดยรวม | FB | มม. | 835 | 1250 | 1835 | 2338 | 2748 | 2720 | 2815 |
| L-R | มม. | 665 | 850 | 950 | 1335 | 1500 | 1715 | 1790 | |
| ส่วนสูง | มม. | 1763 | 2030 | 2215 | 2660 | 2828 | 3290 | 3625 | |
| พลังงานของมอเตอร์ไฟฟ้า | กิโลวัตต์ | 1.1 | 1.5 | 2.2 | 5.5 | 7.5 | 7.5 | 11 | |
| น้ำหนัก (โดยประมาณ) | กิโลกรัม | 950 | 1750 | 2750 | 5900 | 7600 | 9800 | 10080 | |
ความลึกของลำคอสามารถปรับแต่งได้ตามแผ่นขดลวดและความกว้างของแผ่นเหล็ก แผ่นเหล็กแผ่นเหล็กมีความแข็งแรงและความเข้มข้นสูงขึ้น ร่างกายประเภทบล็อกโมโนนั้นดีกว่าสลักเกลียวชนิด ecconomic มาก
การกดเจาะคอลึกประเภทข้อเหวี่ยงสามารถติดตั้งคลัทช์นิวเมติกเสริม การทำงานที่ปลอดภัยและสะดวกยิ่งขึ้น
| สิ่งของ | หน่วย | J21S-10 | J21S-16 | J21S-25 | J21S-40 | J21S-63 | J21S-80 | J21S-100 | |
| ความสามารถเล็กน้อย | KN | 100 | 160 | 250 | 400 | 630 | 800 | 1000 | |
| ความยาวสไลด์จังหวะ | มม. | 45 | 55 | 65 | 90 | 110 | 120 | 140 | |
| ความเร็วจังหวะ | ครั้ง/นาที | 145 | 125 | 55 | 45 | 40 | 38 | 38 | |
| สูงสุด ความสูงปิดตาย | มม. | 180 | 220 | 270 | 320 | 390 | 440 | 480 | |
| การปรับความสูงของ Die ปิด | มม. | 35 | 45 | 55 | 65 | 80 | 90 | 100 | |
| ความลึกคอ | มม. | 300 | 500 | 600 | 710 | 800 | 800 | 900 | |
| ระยะทางคอลัมน์ | มม. | 208 | 278 | 330 | 470 | 590 | 600 | 720 | |
| ขนาดก้นเลื่อน | L-R | มม. | 170 | 200 | 250 | 300 | 400 | 430 | 540 |
| FB | มม. | 150 | 180 | 220 | 260 | 360 | 360 | 480 | |
| ขนาดของหลุมที่จับ | เส้นผ่าศูนย์กลาง | มม. | 30 | 40 | 40 | 50 | 50 | 60 | 60 |
| ความลึก | มม. | 55 | 60 | 60 | 70 | 70 | 75 | 75 | |
| ขนาดของ worktable | L-R | มม. | 370 | 450 | 560 | 700 | 860 | 950 | 1080 |
| FB | มม. | 240 | 300 | 370 | 460 | 570 | 650 | 710 | |
| ความหนาของ worktable | มม. | 35 | 40 | 50 | 65 | 80 | 100 | 120 | |
| เส้นผ่านศูนย์กลางรูตาราง | มม. | 80 | 100 | 120 | 150 | 180 | 200 | 220 | |
| พื้นผิวที่ใช้งานได้ถึงระยะห่างจากพื้นดิน | มม. | 730 | 750 | 800 | 835 | 860 | 850 | 850 | |
| มิติโดยรวม | FB | มม. | 835 | 1250 | 1835 | 2338 | 2748 | 2720 | 2815 |
| L-R | มม. | 665 | 850 | 950 | 1335 | 1500 | 1715 | 1790 | |
| ส่วนสูง | มม. | 1763 | 2030 | 2215 | 2660 | 2828 | 3290 | 3625 | |
| พลังงานของมอเตอร์ไฟฟ้า | กิโลวัตต์ | 1.1 | 1.5 | 2.2 | 5.5 | 7.5 | 7.5 | 11 | |
| น้ำหนัก (โดยประมาณ) | กิโลกรัม | 950 | 1750 | 2750 | 5900 | 7600 | 9800 | 10080 | |
0086 21 62828320
0086 13817120700
wang@worldpowerpress.com