ข่าว
สถานที่ตั้งปัจจุบัน: บ้าน » ข่าว » ศูนย์การเรียนรู้ » วิธีจับคู่แหล่งพลังงานไฟฟ้าของเครื่องกด

วิธีจับคู่แหล่งพลังงานไฟฟ้าของเครื่องกด

หมวดจำนวน:0     การ:บรรณาธิการเว็บไซต์     เผยแพร่: 2565-07-01      ที่มา:เว็บไซต์

สอบถาม

facebook sharing button
twitter sharing button
line sharing button
wechat sharing button
linkedin sharing button
pinterest sharing button
whatsapp sharing button
sharethis sharing button

วิธีจับคู่แหล่งพลังงานไฟฟ้าของเครื่องกดของคุณ

เครื่องกดโดยปกติจะใช้แหล่งพลังงานไฟฟ้า 3 เฟส บทความนี้จะแนะนำรายละเอียดแหล่งพลังงานของกดเครื่องจักร. เราใช้เครื่องกดแบรนด์โลกเป็นตัวอย่าง


ตัวอย่าง:World Brand C Frame Crank Crank Press, JH21-160


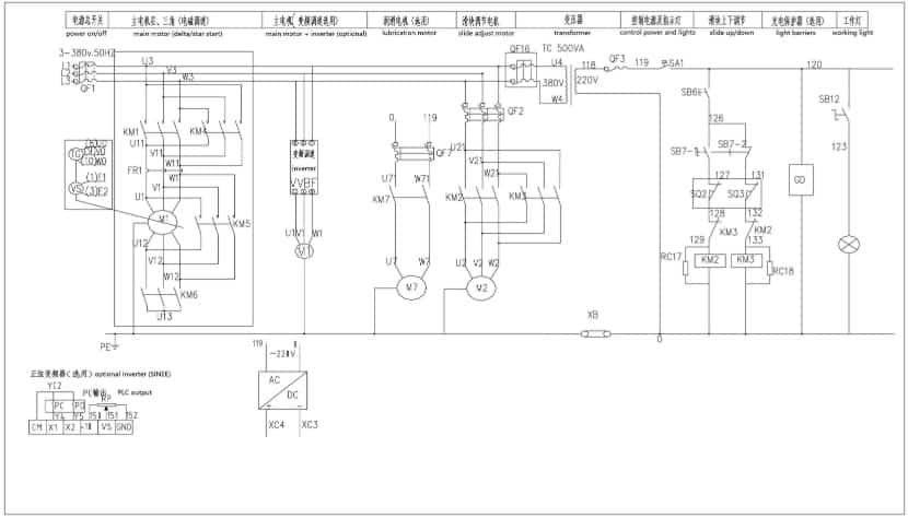
มีมอเตอร์ไฟฟ้าสามชิ้นบนกด มอเตอร์หลักในการขับเคลื่อนระบบเกียร์, มอเตอร์เบรกแบนสำหรับปรับสไลด์และมอเตอร์ขนาดเล็กสำหรับปั๊มจาระบีไฟฟ้า แหล่งพลังงานไฟฟ้าอินพุตเชื่อมต่อมอเตอร์หลักและสไลด์ปรับมอเตอร์โดยตรง พลังงานอินพุตเชื่อมต่อมอเตอร์ปั๊มไขมันผ่านหม้อแปลง หม้อแปลงจะโอนแรงดันไฟฟ้าอินพุตไปที่ 220V

Power Press Electric Diagram-2

ประเทศต่าง ๆ มีมาตรฐานแรงดันไฟฟ้าอุตสาหกรรมที่แตกต่างกัน 220V, 380V, 400V, 415V, 440V และ 600V เครื่องกดแบรนด์โลกผลิตในประเทศจีนด้วยแรงดันไฟฟ้ามาตรฐานเป็น 380V ผู้ซื้อจะต้องยืนยันแรงดันไฟฟ้าในท้องถิ่นก่อนที่จะสั่งซื้อด้วยเครื่องจักรโลกสำหรับเครื่องกด เครื่องจักรโลกสามารถเปลี่ยนมาตรฐานแรงดันไฟฟ้าของเครื่องกดได้ตามมาตรฐาน มอเตอร์หลักและสไลด์ปรับแรงดันมอเตอร์ควรเปลี่ยน มาตรฐานแรงดันไฟฟ้าอินเวอร์เตอร์ความถี่ควรมีการเปลี่ยนแปลงเช่นกันหากผู้ซื้อต้องการอินเวอร์เตอร์เสริม แรงดันไฟฟ้ามอเตอร์ปั๊มไขมันไม่จำเป็นต้องมีการเปลี่ยนแปลงเนื่องจากอินพุตผ่านหม้อแปลง

Power Press Electric Power Connections-2

เชื่อมต่อสายไฟ 3 เฟสกับ L1, L2 และ L3 PE คือเพื่อความปลอดภัย เปิดมอเตอร์หลักตรวจสอบทิศทางการหมุนของมู่เล่กด ทิศทางควรเป็นไปตามเข็มนาฬิกาตามที่ลูกศรระบุบนตัวป้องกันความปลอดภัยมู่เล่ หากทิศทางไม่ถูกต้องเพียงแค่ต้องเปลี่ยนเทอร์มินัลทั้งสองของ L1, L2 และ L3


มาตรฐานปัจจุบันของสายไฟ

แอมแปร์ปัจจุบันเป็นไปตามความจุพลังงาน ตารางต่อไปนี้สำหรับการอ้างอิง

พลัง (kw)

แรงดันไฟฟ้า (V)

ปัจจุบัน (a)

0.75

380

2

1.5

380

3.6

2.2

380

5

3

380

6.6

4

380

8.5

5.5

380

11.5

7.5

380

15.5

11

380

22

15

380

30

18.5

380

37

22

380

44

30

380

60

37

380

72

45

380

85

55

380

105

75

380

138

90

380

160


ได้รับการติดต่อ

  0086 21 62828320

  0086 13817120700

         0086 13817590728

  wang@worldpowerpress.com

         info@worldpowerpress.com

ลิ้งค์ด่วน

ผลิตภัณฑ์

ลิขสิทธิ์©เซี่ยงไฮ้ Yingxin โลก MACHINERY CO., LTD สงวนลิขสิทธิ์. จำนวนเว็บไซต์ Registeration: 沪ICP备09030720号-3
เทคโนโลยีโดยleadong/แผนผังเว็บไซต์